CT-C系列热风循环烘箱配用低噪音耐高温轴流风机和自动控温系统,整个循环系统全封,使烘箱的热效率从传统烘房的3-7%提高到目前的35-45%,最高热效率可达50%。CT-C型热风循环烘箱的设计成功,使我厂的热风循环烘箱达到了国内外先进水平,为我国节约了大量能源,提高了企业的经济效益。1990年国家医药管理局发行了行业标准,统一型号为RXH。
热风循环烘箱特点
1、大部分热风在箱内循环,热效率高,节约能源。
2、利用强制通风作用,箱内设有可调式分风板,物料干燥均匀。热源可采用蒸汽、热水、电、远红外,选择广泛。
3、整机噪音小,运转平稳。温度自控,安装维修方便。
4、适用范围广,可干燥各种物料,是通用的干燥设备。
应用范围
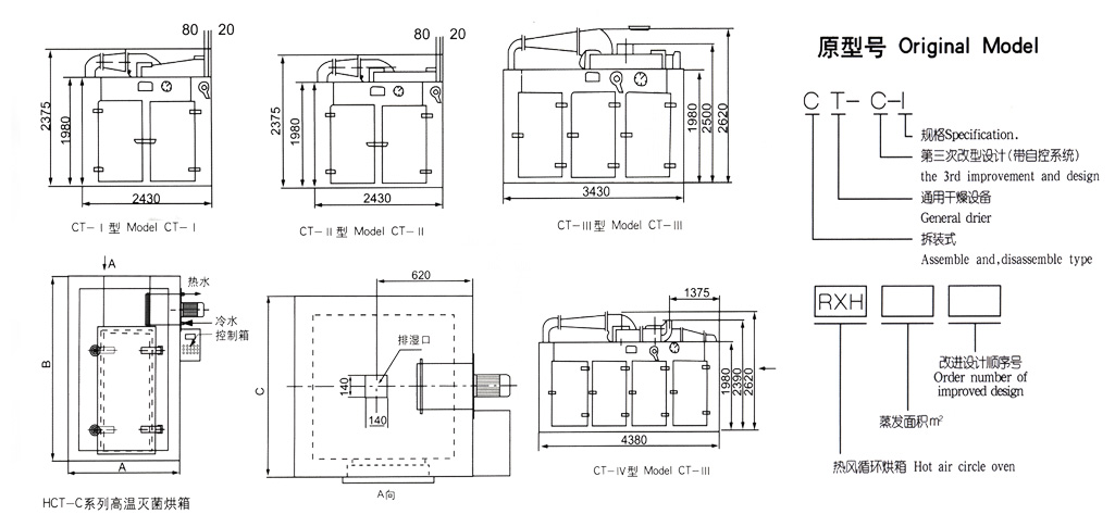
热风循环箱主要技术参数及有关说明
二、使用温度:蒸汽加热50-60℃,最高150℃。
三、用电、远红外温度50~350℃。
四、常备电气自动化操作系统软件和笔记本管控操作系统软件供用户名抉择。五、常用蒸汽压力0.2~0.8MPa(2~8kg).
六、配用电加热按1型计算15kw,实用5-8Kw/h.
七、特有规范在订购时表述。 八、非标准烘烤箱房价面议。九、使用温度大于140℃或小于60℃,要在订货时注明。
十、烘车、烘盘的尺寸統一,就能够互相交换。国庆、烘盘尽寸:460×640×45.
热风循环烘箱主要技术参数
行业领域标具体型号 | 每每干量 | 搭载额定功率 | 损耗量水汽 | 导热平数 | 新风量 | 左右侧温度差异 | 要配烘盘 |
外形尺寸面 宽W×深度D×高H (mm) |
配套设施烘 |
设配体重
(kg) |
|
RXH-14-B |
CT-Ⅰ |
100 | 1.1 | 20 | 20 | 1400 | ±2 | 48 | 2430×1200×2375 | 2 | 1200 |
RXH-27-B |
CT-Ⅱ |
200 | 1.1 | 40 | 40 | 5200 | ±2 | 96 | 2430×2200×2375 | 4 | 1500 |
RXH-41-B |
CT-Ⅲ |
300 | 2.2 | 60 | 80 | 9800 | ±2 | 144 | 3430×2200×2620 | 6 | 2000 |
RXH-54-B |
CT-Ⅳ |
400 | 2.2 | 80 | 100 | 9800 | ±2 | 192 | 4380×2200×2620 | 8 | 2300 |
RXH-5-C | CT-C-O | 25 | 0.45 | 5 | 5 | 3450 | ±2 | 8 | 1200×1000×1750 | 0 | 800 |
RXH-7-C | CT-C-I A | 50 | 0.45 | 10 | 10 | 3450 | ±2 | 24 | 1400×1200×2000 | 1 | 1000 |
RXH-14-C |
CT-C-Ⅰ |
100 | 0.45 | 18 | 20 | 3450 | ±2 | 48 | 2300×1200×2000 | 2 | 1500 |
RXH-27-C |
CT-C-Ⅱ |
200 | 0.9 | 36 | 40 | 6900 | ±2 | 96 | 2300×2200×2000 | 4 | 1800 |
RXH-27A-C |
CT-C-ⅡA |
200 | 0.9 | 36 | 40 | 6900 | ±2 | 96 | 4460×1200×2290 | 4 | 1800 |
RXH-41-C |
CT-C-Ⅲ |
300 | 1.35 | 54 | 80 | 10350 | ±2 | 144 | 3300×2220×2000 | 6 | 2200 |
RXH-42A-C |
CT-C-Ⅲ A |
300 | 1.35 | 54 | 80 | 10350 | ±2 | 144 | 2300×3220×2000 | 6 | 2200 |
RXH-54-C | CT-C-IV | 400 | 1.8 | 72 | 100 | 13800 | ±2 | 192 | 4460×2200×2290 | 8 | 2800 |
类型 MODEL |
A | B | C | 安装系统工作效率 | 在使用工作温度 | 烘车 | 烘盘 |
烘盘尺寸图 Size |
HCT-C-O | 1280 | 1850 | 1080 |
18(kw) |
~300℃ |
无 |
8只 |
700×800×45 |
HCT-C-IA | 1480 | 2160 | 1240 |
24(kw) |
~300℃ |
1辆 |
24只 |
640×460×45 |
注:材质有碳钢、铝合金、不锈钢;物料最终含水量(湿基)<1%